DETALLE NOTICIAS

¿Cómo instalar la barra de luz LED?

Vistas:0     Autor:Editor del sitio     Hora de publicación: 2021-07-26      Origen:Sitio

Preguntar

facebook sharing button
twitter sharing button
line sharing button
wechat sharing button
linkedin sharing button
pinterest sharing button
whatsapp sharing button
sharethis sharing button

Cuando se habla de luces auxiliares LED, la barra de luz LED juega un papel clave y es una de las adiciones más importantes para su vehículo. Ya sea que esté conduciendo por las zonas rurales o explorando el desierto por la noche, las barras de luz LED aumentarán en gran medida la visibilidad de la carretera y complementarán sus luces de fábrica tenue para garantizar su seguridad.

Es importante saber cómo instalar barras de luz LED, mientras que muchas personas piensan que es problemático. No se preocupe, hemos resumido los pasos completos en este artículo y puede instalar fácilmente barras de luz LED en sus vehículos.

Barras de luz LED Vehículos de iluminación automotriz de carretera

Barras de luz LED Vehículos de iluminación automotriz de carretera

1. Verifique el kit de barra de luz LED antes de la instalación

2. Preparación para la instalación

3. Instale la barra de luz

4. Cablee la barra de luz

5. Pruebe la barra de luz para obtener el rendimiento de luz perfecto

1. Verifique el kit de barra de luz LED antes de la instalación

Si compraste unBarra de luz LEDDe nosotros, el paquete llegará a usted que contenga una barra de luz LED, soportes de montaje, cables, tuercas, pernos y herramientas para montarlos. Si el arnés de cableado no está incluido en el kit, recuerde comprarlo por separado, lo que será mucho más conveniente.

2020-Nuevo-High-Cost-Epective-Exposure-Range-LED-Light-Bar-JG2020-Nuevo-alto costo-efectivo-exposición-exposición-lideras-bar-jg (1)2020-Nuevo-High-Cost-Epective-Exposure-Range-LED-Light-Bar-JG

Verifique todos los componentes en secuencia antes de la instalación y los ordene, en gran medida ahorrará tiempo y facilitará todo el proceso de instalación. Si encuentra algunas piezas faltantes en este procedimiento, puede contactarnos en cualquier momento y ayudaremos con su problema a tiempo.

2. Preparación para la instalación

El primer pero también más importante paso es desconectar la batería de su automóvil para mantenerse a salvo. Retire el terminal de tierra y el terminal positivo paso a paso para evitar la cortocircuito.

El siguiente paso es elegir el lugar de montaje perfecto para la barra de luz. Puede montarlo en la rejilla del techo, el parachoques, la rejilla u otros lugares. Recuerde elegir el área que pueda sostener su barra de luz estable mientras está fuera de carretera y es seguro para perforar.

9610A9610A Barra de luz Ofroad de Ofroad Súper Bright Super Bright Slim (2)

Luego debe medir las barras de luz y el lugar de montaje y hacer las marcas para los soportes de la barra de luz. Después de todo esto, puede perforar el orificio para esperar la instalación de la barra de luz.

3. Instale la barra de luz

Antes de instalar elbar luminoso, es mucho más fácil montar el soporte primero. Los soportes incluidos en nuestro paquete generalmente tienen forma de L y el brazo largo debe enfrentar.

22Barra de luz de conducción LED de camión 9631T

Luego puede montar su barra de luz LED sobre los soportes con una tuerca y perno para garantizar la seguridad y la estabilidad. Recuerde atornillar los pernos libremente porque ajustará el ángulo y probará la luz muchas veces más tarde.

4. Cablee la barra de luz

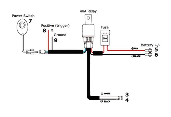
Si ha comprado el arnés de cableado para la barra de luz, generalmente contiene un interruptor, un relé de alimentación, un soporte de fusible de cuchilla, cables positivos y negativos, y un par de cables de conector para la barra de luz.

5_SXSEBCLMQKPRFO9_XR4_C_GRANDEDiagrama de cableado de la barra de luz LED

Para comenzar, desconecte el interruptor del arnés principal, encuentre su camino a través del firewall y obtenga el interruptor al tablero. Una vez que el interruptor se configura en su lugar, puede volver a conectarlo al arnés de cableado.

A continuación, debe encontrar el lugar para la repetición y los cables. Coloque el relé en cualquier lugar cerca de la batería y en el firewall. Monte el cable rojo positivo al terminal rojo de la batería y conecte el cable negativo negro uniéndolo al chasis. Tenga en cuenta que no ponga los cables cerca de las zonas de calor.

Finalmente, alí la barra de luz, roja a roja, negra a negra y todo el cableado está completo.

5. Pruebe la barra de luz para obtener el rendimiento de luz perfecto

El último pero no menos importante es probar la barra de luz. Ajuste la barra de luz para encontrar el ángulo perfecto. Apretando los pernos que ha dejado libremente antes y enciende las luces para obtener el rendimiento de luz ideal.

71nrdzq9fxl71V-4FR6D7L9610A Barra de luz Ofroad de Ofroad Súper Bright Bright Super Slim9610A RENDIMIENTO DE LA LUZ DE LA LIGHT BAR OFROD LIGHT SUPER SUPER Bright Slim Ofroad

Si sigue los pasos claros anteriores, puede montar su barra de luz LED sin esfuerzo. Todo lo que necesita considerar ahora es dónde obtener una barra de luz LED perfecta. Jiuguang ofrece las mejores barras de luz LED con chips LED avanzados y construcción de alta calidad a precios razonables. Simplemente puede comprarlo aquí:https://www.jg-ledlight.com/

Compañía de barras de láserCompañía de barras de láser

Ofrecemos un servicio de 5 estrellas para nuestros productos y entrega. Todas nuestras luces se aplican con envases de absorción de choques, incluida la espuma de seguridad incorporada para absorber el choque y la protección de 360 ​​grados de las luces para evitar la entrega expresa violenta.

Mientras tanto, también brindamos servicios de personalización para ayudar a desarrollar la influencia de su marca. Puede ofrecer un logotipo o una solución de empaque completa, y proporcionamos este tipo de personalización personalizada.

Si tiene algún problema con nuestros productos o la instalación, no dude en contactarnos.

Barras de luz LED Vehículos de iluminación automotriz de carretera

九光-详情 _06


Productos relacionados

Lights Safty, Drive Safty.

CATEGORIAS

NAVEGACIÓN

CONTÁCTENOS

 market@jg-ledlight.com
+ 86-177-6642-0009
223, edificio 1-A, tienda Tianyin Road, Tianyin Avenue, gaoxinyuan, distrito de Jiangning, Nanjing
NANJING JIUGUANG LIGHTING TECHNOLOGY CO., LTD.